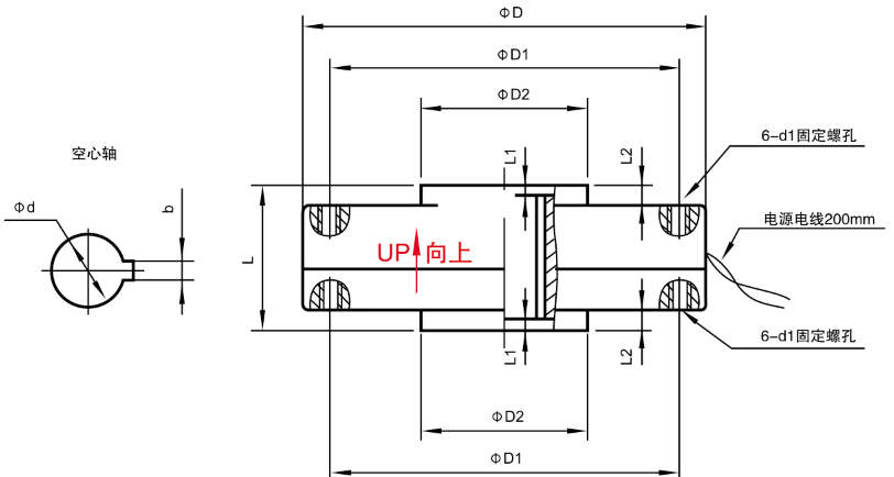
FZ-LK立式磁粉制動器跟臥式安裝的磁粉制動器工作原理都是一樣的,FZ-LK型磁粉制動器有自然冷卻和水冷卻兩種,水冷卻效果好于自然冷卻的效果,磁粉制動器溫度越高,其滑差功率會降低,制動的效果會降低。水冷卻會降低其溫度,保證其滑差功率的穩定,制動的效果保持穩定。
FZ-LK型磁粉制動器額定轉矩越大,其許用轉速會降低,額定電壓DC24V。


|
規定
型號
|
FZ
2.5
LK
|
FZ
6
LK
|
FZ
12
LK
|
FZ
25
LK
|
FZ
50
LK
|
FZ
100
LK
|
FZ
200
LK
|
FZ
400
LK
|
FZ
630
LK
|
FZ
1000
LK
|
FZ
2000
LK
|
FZ
5000
LK
|
|
額定轉矩 N.m
|
2.5
|
6
|
12
|
25
|
50
|
100
|
200
|
400
|
630
|
1000
|
2000
|
5000
|
|
激磁
線圈
DC
|
電壓 V
|
24
|
24
|
24
|
24
|
24
|
24
|
24
|
36
|
36
|
90
|
90
|
90
|
|
電流 A
|
0.3
|
0.5
|
0.6
|
0.8
|
1.0
|
1.5
|
2.0
|
2.5
|
3.0
|
4.0
|
5.0
|
5.0
|
|
滑差
功率
KW
|
自 冷
|
0.03
|
0.05
|
0.1
|
0.15
|
0.2
|
0.3
|
0.45
|
0.6
|
0.8
|
1
|
1.2
|
2
|
|
水 冷
|
/
|
/
|
/
|
1.1
|
2
|
3
|
4
|
5
|
7
|
8
|
10
|
15
|
|
許用轉速 r/min
|
400
|
400
|
400
|
400
|
350
|
350
|
300
|
300
|
300
|
300
|
250
|
200
|
|
外
形
尺
寸
|
D
|
105
|
126
|
150
|
180
|
195
|
248
|
302
|
370
|
484
|
550
|
700
|
920
|
|
L
|
49
|
52
|
56
|
62
|
66
|
85
|
102
|
116
|
144
|
169
|
210
|
222
|
|
空
心
軸
聯
接
尺
寸
|
d(H7)
|
12
|
12
|
16
|
25
|
30
|
35
|
45
|
50
|
50
|
60
|
75
|
90
|
|
b(F8)
|
4
|
4
|
5
|
8
|
8
|
10
|
14
|
14
|
14
|
18
|
20
|
25
|
|
L1
|
1
|
2
|
2
|
2
|
2
|
2
|
2
|
4
|
5
|
5
|
5
|
5
|
|
止
口
支
撐
尺
寸
|
L2
|
8
|
8
|
8
|
8
|
8
|
9
|
10
|
12
|
12
|
12
|
15
|
18
|
|
D1
|
80
|
80
|
82
|
105
|
120
|
150
|
180
|
200
|
200
|
260
|
300
|
420
|
|
D2(g7)
|
60
|
60
|
65
|
90
|
100
|
120
|
150
|
160
|
160
|
185
|
200
|
240
|
|
d1X
深度
|
M5
-8
|
M5
-8
|
M6
-8
|
M6
-8
|
M10
-12
|
M10
-18
|
M12
-20
|
M12
-25
|
M12
-25
|
M12
-25
|
M12
-25
|
M16
-30
|
注:如果聯接孔必須要垂直于水平面安裝,請務必選擇此型號
|